Sign In | Join Free | My chinacsw.com
China Jianglang Technology  Co. Ltd. logo
Jianglang Technology Co. Ltd.
20+ Years Experience, More Than 40 Patents, Higher Performance, Larger Flow Rate, Better Designed for Durability, Maintenance, and Performance
Verified Supplier

4 Years

Home > Air Operated Diaphragm Pump >

PTFE/EPDM Diaphragm Material Sanitary Diaphragm Pump for Standards and ASME BPE-compliant Design

Jianglang Technology Co. Ltd.
Trust Seal
Verified Supplier
Credit Check
Supplier Assessment
Contact Now

PTFE/EPDM Diaphragm Material Sanitary Diaphragm Pump for Standards and ASME BPE-compliant Design

  • 1
  • 2

Brand Name : RV

Model Number : RVA-F6311-T

Certification : CE , ATEX ,ISO9001

Place of Origin : China

MOQ : 1 SET

Price : Negotiate

Payment Terms : L/C, T/T, Western Union, D/A, D/P, Paypal

Supply Ability : 10000 SET Month

Delivery Time : 1-7working day

Packaging Details : Carton / Woodencase/ Pallet

Maintenance : Quick-release diaphragm assembly

Sealless Design : Yes

ASME BPE-compliant design : Yes

Product Category : Air Operated Diaphragm Pump

Energy Efficiency : 30% lower air consumption vs. conventional models

Diaphragm Material : PTFE/EPDM

Future Integration : IoT for predictive maintenance

Material : Electropolished 316L stainless steel

Contact Now

Product Description:

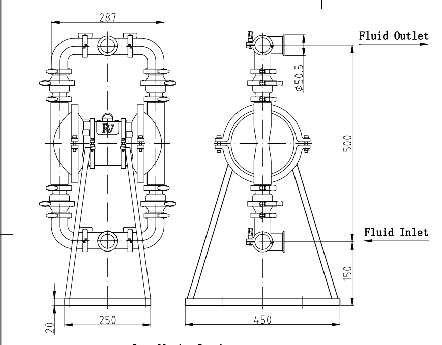
The Air Operated Diaphragm Pump is a top-of-the-line product designed for efficiency and reliability in various industrial applications. This stainless steel air diaphragm pump is constructed with high-quality materials to ensure long-lasting performance and durability.

One key feature of this sanitary diaphragm pump is its Diaphragm Material, which is made of PTFE/EPDM. This material combination offers excellent chemical resistance and ensures compatibility with a wide range of fluids, making it suitable for diverse pumping needs.

In addition, this stainless steel diaphragm pump boasts an ASME BPE-compliant design, meeting industry standards for hygiene and safety. This compliance ensures that the pump is suitable for use in sanitary applications where cleanliness and purity are paramount.

Energy Efficiency is another standout feature of this air-operated diaphragm pump. With 30% lower air consumption compared to conventional models, this pump helps reduce energy costs and environmental impact while maintaining high performance levels.

The material used in the construction of this pump is Electropolished 316L stainless steel. This high-grade stainless steel offers superior corrosion resistance and durability, making the pump suitable for demanding industrial environments.

Whether used in chemical processing, pharmaceutical production, food and beverage manufacturing, or other applications, this air-operated diaphragm pump delivers reliable performance and efficient operation. Its robust construction and advanced design make it a trusted choice for pumping various fluids with precision and consistency.

In conclusion, the Air Operated Diaphragm Pump is a versatile and reliable solution for all your pumping needs. With its high-quality construction, energy-efficient operation, and compliance with industry standards, this pump offers exceptional performance and longevity. Choose this pump for your industrial applications and experience the benefits of a top-of-the-line stainless steel air diaphragm pump.


Features:

  • Product Name: Sanitary Diaphragm Pump: Design and Applications in Hygienic Processing
  • Material: Electropolished 316L stainless steel
  • Diaphragm Material: PTFE/EPDM
  • Sealless Design: Yes
  • Future Integration: IoT for predictive maintenance

Technical Parameters:

Energy Efficiency 30% lower air consumption vs. conventional models
Future Integration IoT for predictive maintenance
Sealless Design Yes
Maintenance Quick-release diaphragm assembly
Connection Type Tri-clamp (ISO 2852/DIN 32676)
Material Electropolished 316L stainless steel
Diaphragm Material PTFE/EPDM
Product Name Sanitary Diaphragm Pump: Design and Applications in Hygienic Processing
ASME BPE-compliant design Yes
Product Category Air Operated Diaphragm Pump

Applications:

The RV RVA-F6311-T air operated diaphragm pump is a versatile and reliable pumping solution suitable for a wide range of applications. With certifications including CE, ATEX, and ISO9001, this pump is manufactured in China with a minimum order quantity of 1 set and a negotiable price. Payment terms accepted include L/C, T/T, Western Union, D/A, D/P, and Paypal, making it convenient for various purchasing preferences.

With a supply ability of 10000 sets per month and a quick delivery time of 1-7 working days, the RV air diaphragm pump is ideal for both urgent needs and large-scale projects. The packaging details offered include carton, wooden case, and pallet options, ensuring safe transportation and storage.

Constructed from electropolished 316L stainless steel and featuring diaphragms made of PTFE/EPDM, this pump is designed for durability and efficient operation. The quick-release diaphragm assembly allows for easy maintenance, reducing downtime and ensuring continuous productivity.

Meeting performance standards such as EHEDG/3-A, the RV diaphragm pump guarantees high quality and reliability in various industrial settings. Additionally, its future integration capabilities with IoT for predictive maintenance make it a forward-thinking and innovative choice for modern operations.

The RV RVA-F6311-T air operated diaphragm pump is suitable for a wide range of applications, including but not limited to:

  • Chemical transfer
  • Paints and coatings
  • Waste water treatment
  • Food and beverage processing
  • Pharmaceutical production

Whether you require a single diaphragm pump for specific tasks or multiple pumps for larger operations, the RV air diaphragm pump offers the performance, reliability, and convenience you need.


Support and Services:

Our Product Technical Support and Services for the Air Operated Diaphragm Pump include:

- Troubleshooting assistance for any operational issues

- Product maintenance guidance and tips

- Repair and replacement services for faulty components

- Product training and operational seminars for users

- Warranty support and assistance for eligible products


Packing and Shipping:

Product Packaging:

The Air Operated Diaphragm Pump is carefully packaged to ensure safe delivery to our customers. It is packed in a sturdy cardboard box with ample protective padding to prevent any damage during transportation.

Shipping Information:

Once your order is processed, the Air Operated Diaphragm Pump will be shipped using a reliable courier service. You will receive a tracking number to monitor the status of your delivery. Please ensure someone is available to receive the package upon arrival.


FAQ:

Q: What is the brand name of the Air Operated Diaphragm Pump?

A: The brand name is RV.

Q: What is the model number of the Air Operated Diaphragm Pump?

A: The model number is RVA-F6311-T.

Q: What certifications does the Air Operated Diaphragm Pump have?

A: The pump is CE, ATEX, and ISO9001 certified.

Q: Where is the Air Operated Diaphragm Pump manufactured?

A: The pump is manufactured in China.

Q: What are the available payment terms for purchasing the Air Operated Diaphragm Pump?

A: Payment terms include L/C, T/T, Western Union, D/A, D/P, and Paypal.


PTFE/EPDM Diaphragm Material Sanitary Diaphragm Pump for Standards and ASME BPE-compliant Design


Product Tags:

PTFE sanitary diaphragm pump

      

EPDM ASME BPE diaphragm pump

      

air operated sanitary pump

      
Quality PTFE/EPDM Diaphragm Material Sanitary Diaphragm Pump for Standards and ASME BPE-compliant Design for sale

PTFE/EPDM Diaphragm Material Sanitary Diaphragm Pump for Standards and ASME BPE-compliant Design Images

Inquiry Cart 0
Send your message to this supplier
 
*From:
*To: Jianglang Technology Co. Ltd.
*Subject:
*Message:
Characters Remaining: (0/3000)
 
Inquiry Cart 0